磁翻板液位计
侧装式磁翻板液位计用于低温到高温,真空到高压等各种环境,是石油、化工等工业部门的理想液位测量产品。根据在容器中安装位置的不同,提供侧装和顶装两种形式。根据工作介质不同,提供不锈钢和ABS、PP-R工程塑料三种材质,其中ABS、PP-R材质适用于酸、碱等腐蚀性介质。
侧装式磁翻板液位计的详细资料:
1、以浮子为测量元件,磁钢驱动翻柱显示,无需能源。
2、配上下限开关输出,可实现远距报警,限位控制。
3、配变送器可实现液位远距报指示,检测与控制。
侧装式磁翻板液位计结构及工作原理
1、基本型
根据浮力原理,浮子在测量管内随液位的升降而上、下移动,浮子内的永久磁钢通过耦合作用,驱动红、白色翻柱翻转180°,液位上升时翻柱由白色转为红色,下降时由红色转为白色,从而实现液位指示。
2、电远传
在浮子液位计上安装变送器,通过浮子上下移动,经磁耦合作用使导杆内测量元件依次动作,获得电阻信号变化,转换成0~10mA或4~20mA的标准信号输出,与显示仪表或计算机连接,达到远传目的。
3、上下限开关输出
在液位计立管上由用户设定上、下限位置安装控制器,控制器内带有自保持作用的舌簧开关,利用磁性浮子随液位移动使簧片开关动作时,实现报警或限位控制。

磁翻板系统构成及接线
1、上下限开关输出
由具有自保持作用的舌簧开关和转换器组成,舌簧开关和转换器分别安装于现场和控制室,由转换器提供三对触点开关。
2、电远传
由测量单元和变送单元两部分组成。
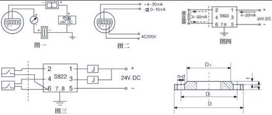
3、本安防爆
a 带本安防爆,上、下限开关输出型
防爆开关由舌簧开关和带继电器触点的安全栅组成,可向用户直接提供一对常开或常闭触点。如用户需更多触点可特殊设计订货。(图三)
b 带本安防爆远传型
适合使用于∏类电气设备(工厂用)、C级气体,最高表面温度组别T4(135℃)。(图四)
c 使用注意事项
①变送器外壳设有外接地,用户使用时必须可靠接地。
②安全栅的使用应遵守有关使用说明内容。
③变送器与安全栅本安端的连接电缆为二芯屏蔽电缆,芯线截面积>0.5m,电缆允许分布电容为0.8μF。